منحنيات خواص ثنائي رباعيات الطبقات
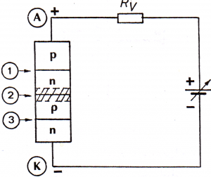
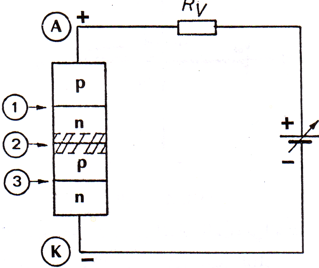
نصل القطب الموجب لمنبع التغذية عن طريق المقاومة Rv إلى مصعد الثنائي والقطب السالب إلى المهبط ..
يكون الثنائيان عندها D1 و D3 موصولان أمامياً لذلك تزول منطقة الفصل بين الشرائح ، ويكون D2 محيز عكسياً ، ومع زيادة الكمون تزداد منطقة الفصل ، وعندما يصبح فرق الكمون بين طرفي الثنائي D2 مساوياً إلى كمون الانهيار Vs يفتح الثنائي ويسمح بمرور التيار من خلاله ، عندها ينخفض فرق الكمون بين طرفي الثنائي إلى القيمة VH ويمر فيه تيار IH.
إن أي زيادة بسيطة في الكمون أعلى من VH سيقابلها زيادة كبيرة في التيار الأمامي IH ، ويبقى الثنائي موصلاً إلى أن ينخفض فرق الكمون بين طرفيه إلى أقل من VH لذلك يسمى الكمون VH كمون التوقف ، و IH تيار التوقف ..
أما إذا عكسنا توصيل منبع التغذية يكون الثنائي D1 و D3 في حالة توصيل عكسي و D2 في حالة توصيل أمامي وإذا زادت قيمة الكمون العكسي إلى القيمة Vab ينهار الثنائي مما يؤدي إلى مرور تيار كبير فيه يؤدي إلى تلفه .

Dr. M. Walid Issa
