دارات التقويم والترشيح
المخطط الصندوقي لتصميم دارت تقويم متكاملة ..
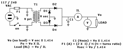
The formula for C1 is:
C1(uF)= X10 6 C1=X10 6 C1 = 0.00453 X 10 6 = 4529 uF
المخطط الصندوقي لتصميم دارت تقويم متكاملة ..
The formula for C1 is:
C1(uF)= X10 6 C1=X10 6 C1 = 0.00453 X 10 6 = 4529 uF