وقاية قضبان التوصيل
تعمل قضبان التوصيل كموصلات أساسية في نظم القوي الكهربية ولهذا فحدوث أي أعطال قصر في الدائرة في منطقة قضبان التوصيل يجب أن يتم معالجتها في اقل وقت ممكن. وتشمل نظم حماية القضبان محولات التيار و المرحلات المشرفة على منطقة القضبان والتى ترسل إشارات إلى أجهزة القطع و المفاتيح لكى تفتح جميع الدوائر المتصلة بالقضيب المصاب بالقصر .
أنظمة وقاية قضبان التوصيل
1- مرحلات زيادة التيارفي نظم التوزيع الكهربي (6-20 كيلو فولت ) والتى يتم فيها التوصيل الي المصدر من خلال المحولات تعمل مرحلات زيادة التيار Over current time relay كنظام وقاية بسيط لقطع المصدر الكهربي عن قضبان التوصيل إذا كان واحد أو أكثر من موصلات التغذية يحمل تيار القصر كما هو موضح في شكل (1) . و تستخدم هذه المرحلات أيضا كوحدات إحتياطية Back-up لحماية القضبان في محطات محولات النظم الأعلى جهدا.
2 -نظم الحماية للقصر الأرضىيشترط في هذا النظام أن يعمل فقط في حالة القصر الأرضي داخل منطقة القضبان و لا يعمل للقصر خارج هذه المنطقة. ونظم الحماية من القصر الأرضى تشمل :
التسرب على الهياكل Frame leakage protection
التيارات السارية Circulating current protection
وبالنسبة لأحد أنظمة الحماية من النوع الأول فهى تتم عن طريق ربط جميع الهياكل المعدنية مع بعضها و تعزل خفيفا عن الأرض lightly insulated from earth كذلك يلاحظ عزل هياكل أجهزةالقطع عن أغلفة الكبلات و بذلك عند حدوث القصر يمر التيار من أجهزة القطع إلى الأرض مباشرة و يكون ذلك هو الطريق الوحيد.
أما النظام الثانى فهو أكثر شيوعا و يستخدم فى محطات المحولات الحديثة و يطبق على القضبان المجزئة ويكون كل مرحل مسئول عن جزء بحيث يتم قطع التغذية عن الجزء الذى حدث فيه القصر فقط. و يستخدم لتغذية المرحل فى هذه الحالة محولين للتيار متصلين على التوازى إحدهما على خط مصدر التغذية و الآخر على الخط الخارج من القضيب و ذلك اذا حدث قصر على الخط الخارج من القضيب فسوف يتعادل التياران و يت تشغيل المرحل . أما إذا حدث قصر على القضيب فإن فى هذه الحالة يختلف تيارا المحولان و تكون هناك محصلة للتيار تمر بالمرحل و بالتالى تعطى إشارة لجهاز القطع المناظر.
3 -نظم الوقاية التفاضليةنظام الوقاية التفاضلية هو أكثر الطرق التى يمكن الاعتماد عليها في وقاية قضبان التوصيل ولأن معظم نظم القوي تتضمن عددا كبيرا من الدوائر وعدد من مستويات التيار المختلفة فيجب أن يتساوي تيار محول التيار (C.T) على موصل التغذية المصاب بالعطل مع مجموع تيارات محولات التيار على موصلات التغذية الغير مصابة بالعطل وذلك إذا حدث العطل في خارج منطقة الحماية . ولكن نتيجة إرتفاع قيمة تيار القصر يتسبب هذا في تشغيل محول التيار (C.T) عند مستوي عالي للتشبع وربما يؤدي في حدوث تشغيل خاطئ للمرحل . وتستخدم عدد من الأساليب للتغلب على ذلك وواحدًا من هذه الأساليب هي استخدام الروابط الخطية وتعتبر ببساطة محولات تيار تستخدم حديدا أقل والجهد الثانوي للرابط الخطي يعطي بالعلاقة:
E = Zm Ip
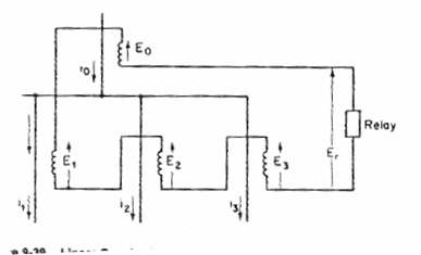
و( Zm) هي الممانعة التبادلية ( لها قيمة تقليدية 0.05 ohms) . وشكل (2) يوضح نظام الرابط الخطي وهو غالبًا تفاضلي للجهد . والجهد عند المرحل هو ( Er)
Er = Sn j=1 (Zm ij - E 0 )
مع ملاحظة أنه في الدائرة المبينة سواء كانت في حالة حمل طبيعي أو حالة حدوث عطل خارج منطقة قضيب التوصيل يكون :-
io = Sn j=1 ( ij )
و من ثم يكون (Er = 0) .
ولكن في حالة حدوث عطل على قضيب التوصيل فيحدث خلل في هذا الاتزان ويكون تيار المرحل كالآتي :
Ir = Er / ( Zr + Sn j=0 ( Zcj )
حيث تكون (Zcj) هي الممانعة الذاتية للرابط بينما (Zr) هي معاوقة المرحل.
و تستخدم محولات التيار التقليدية في نظم حماية قضبان التوصيل والتى تستخدم النظم التفاضلية ذات طرق التقييد المتعددة multirestraint differential وفى هذا النظام يتم معالجة عدم الدقة التى تنتج من تشبع محولات التيار عند حدوث أعطال عالية باستخدام مرحل تفاضلي مئوي variable percentage differential متغير . ويتكون هذا المرحل من ثلاثة وحدات للتقييد من النوع الحثى induction restraint ووحدة واحدة للتشغيل من النوع الحثي induction type وتعمل اثنتان من الوحدات على قرص واحد ويوجد للقرصان عمود حركة واحدة يتصل بالأقطاب المتحركة ويمر التيار خلال ملفات الوحدات الأربعة محدثا عزم فتح للأقطاب في وحدة التقييد أو عزم غلق الأقطاب في وحدة التشغيل ويتم توصيل الملفات في وحدتي التقييد بحيث تعمل التيارات التى تسري في نفس الاتجاه على إنتاج عزم التقييد متناسب مع مجموعهما بينما تعمل التيارات التي تسري في عكس الاتجاه على إنتاج عزم تقييد يتناسب مع الفرق بينهما وعندما يكون التيار ان في الملفين متساويان وفى عكس الإتجاه يؤدي ذلك إلى عدم وجود عزم تقييد ويسمي هذا المرحل بالمرحل التفاضلي المئوي المتغير .
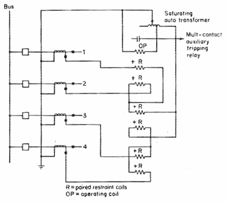
في حالة حدوث تيار أعطال خفيفة (صغيرة ) يكون أداء محولات التيار مناسبًا وتستخدم نسبة مئوية صغيرة للحصول على حساسية عالية أما للأعطال الخارجية العادية يكون أداء محولات التيار سئ ويستخدم نسبة مئوية عالية ويتم التوصل لهذه الخاصية بتغذية وحدة التشغيل خلال محول ذاتي متشبع . ويوضح شكل (3) رسما تخطيطيا ( لطور واحد) لنظام تفاضلي ذو التقييد المتعدد مطبق على قضيب توصيل بأربعة دوائر .
شكل (3) : مخطط يوضح توصيلات المرحل التفاضلي ذو طرق التقييد المتعدد لطور واحد والذي يستخدم لوقاية قضيب التوصيل ذو أربع دوائر الشكل يوضح توصيلات طور واحد فقط
ونظام آخر مستخدم في وقاية قضبان التوصيل هو النظام التفاضلي ذو المعاوقة العالية والذي يستخدم محولات التيار التقليدية ويتم تحميل محولات التيار بوحدة مرحل عالي المعاوقة لإلغاء مشكلة أداء محولات التيار الغير متساوية. كما يتم استخدام محولات التيار ذو صلبة bushing لأن لها معاوقة ثانوية صغيرة وشكل (4) يوضح وحدة المرحل من نوع الجهد اللحظي ذو كباس والتى تعمل خلال نظام تقويم الموجة الكاملة وتستخدم السعة والمحاثة لضبط الدائرة عند تردد الدائرة الطبيعي natural frequency لتقليل الاستجابة لكل التوافقيات. و معاوقة هذا الفرع تساوي تقريبا 3000 أوم وهذا يعني أن ملفات محولات التيار الثانوية والمرحل يتعرضوا لجهود عالية عند حدوث عطل بقضيب التوصيل ويتم توصيل وحدة للحد من الجهد على التوازي مع المرحل من نوع ثايرايت (Thyrite) .
ويتم توصيل وحدة زيادة التيار اللحظي على التوالي مع النظام المركب السابق ويتم ضبطها حتى تعمل عند قيم تيار عطل داخلي كبيرة. ويجب أن تضبط عند قيم عالية لتجنب تشغيلها عند الأعطال الخارجية. وفى الأعطال الداخلية تكون قيمة الجهد المطبق علي المرحل كبيرة وتصل الي قيمة جهد فتح الدائرة للملفات الثانوية لمحولات التيار . أما في الأعطال الخارجية تكون قيمة الجهد صغيرة جدًا وتقترب من الصفر إلا إذا حدث تشبع لمحولات التيار .

Dr. M. Walid Issa

