وقاية المولدات الكهربية
أعطال المولدات
هناك عدد من الظروف الغير طبيعية التى يمكن تحدث لاي معدة دوارة وتشمل :
- أعطال في الملفات
- فقد الاستثارة
- عمل المولدات كمحركات
- زيادة الحمل
- زيادة الحرارة
- زيادة السرعة
- تشغيل غير متزن
- الخروج عن التشغيل السليم
العديد من هذه الاعطال يمكن إصلاحها بينما تبقي الوحدة في الخدمة ,فقط يمكن أن تقل القدرة المولدة منها . و يتم اكتشاف والإعلان عن الأعطال بالإنذارات . والأعطال تحتاج لاكتشاف عاجل وفوري و إلا ترتب عليها حدوث انهيار للعزل وبذلك يتكون مسار موصل بين نقاط بينهم فرق في الجهد . وإذا كانت مقاومة المسار عالية سيرتبط العطل بتغير ملحوظ في الجهد في المنطقة المصابة بالعطل وعلى الناحية الأخرى وفى حالة ما إذا كانت مقاومة المسار صغيرة ينتج تيار كبير والذي غالبًا يسبب عطلا كبيرا .
والشكل التالي يوضح الأنواع المختلفة للأعطال التى يمكن حدوثها في نظم العزل لملفات المولدات.
وتعرف الأعطال كالآتي:
- حدوث قصر بين الملفات
- حدوث قصر بين حلقات ملف الوجه
- قصر أرضي في الجزء الساكن
- قصر أرضي في الجزء الدوار
- حدوث قصر بين حلقات الجزء الدوار
و الرمز A يرمز به للعزل في الملفات المنفصلة بينما الرمز B يرمز لقلب الجزء الساكن .
و يلاحظ أن حدوث قصر بين أجزاء من أوجه مختلفة للملفات مثل الأعطال 1،2 السابق ذكرهما يؤدي إلى تيار كبير وخطير خلال الآلة . وبالتبعية يحدث فرق واضح بين التيارات في نقطة التعادل ونهاية الأطراف للملف والذي يتم اكتشافه بنظام وقاية من النوع التفاضلي. وهنا تتم مقارنة التيارات الموجودة في كل ناحية من الجهاز المطلوب حمايته بدائرة تفاضلية ووجود أي فرق في التيار سيعمل على تشغيل المرحل .والشكل التالي يوضح دائرة المرحل لطور واحد فقط .
وفى ظروف التشغيل الطبيعية سيمر التيار الذي يمثل الفرق بين تيارات المغنطة لمحولات التيار خلال المرحل وذلك لأنه في حالة عدم حدوث أعطال خلال منطقة المعدة المحمية تكون التيارات التى تدخل المعدة وتخرج منها متساوية وفى حالة حدوث عطل بين مجموعتين لمحولات التيار سيزيد واحد أو أكثر من التيارات ( في نظام ثلاثي الطور ) الموجودة في الناحية اليسرى زيادة فجائية بينما تيارات الناحية اليمني تقل أو تزيد ولكن في اتجاه عكسي وفى كلتا اللحظتين سيمر التيار الكلي خلال المرحل ويتسبب في تشغيله. و في حالة الوحدات التى لا يمكن الوصول فيها للأطراف المتعادلة لا يمكن استخدام المرحلات التفاضلية وفى هذه الحالة تستخدم مرحلات القدرة العكسية .
و يلاحظ ان التيارات التسريبية يمكن أن تحدث بين لفات ملف نفس الطور أو بين ملفات متوازية لنفس الطور وهذا الذي يسمي بعطل داخل اللفات (inter turn fault ). وللمولدات ذات الملف الواحد لكل طور يتم توصيل محول جهد بين طرف كل طور وبين نقطة التعادل للملف . وأطراف الملفات الثانوية تتصل بشكل مثلث مفتوح لمرحل جهد مستقطب كما هو موضح بالشكل
وفى حالة حدوث عطل داخل اللفات سيظهر جهد على أطراف المثلث المفتوح مما يجعل المرحل يعمل وفى الشكل التالي يظهر الرسم الاتجاهي والذي يوضح أن 3V0 هو الجهد الناتج عند أطراف المثلث المفتوح ومن ثم :
3 V0 = V1 + V2 + V3
مع ملاحظة أن V0 هو جهد التتابع الصغري .
رسم اتجاهي للجهود الطبيعية وجهود الأعطال فى حالة عطل داخل اللفات
أ) ظروف طبيعية - ب) عطل على الطور A
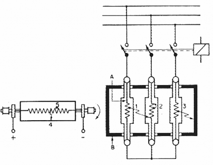
وللوقاية من الأعطال الأرضية للجزء الثابت توصل نقطة التعادل للمولد بالأرض عن طريق مقاومة عالية . وعند حدوث عطل أرضي يسرى التيار خلال المقاومة محدثًا فرق في الجهد عبر المقاومة بين نقطة التعادل والأرض وهذا الفرق في الجهد يتم توصيله عن طريق محول جهد بمرحل جهد مستقطب والذي يعمل على تشغيل قواطع الدائرة للمولد كما هو موضح بالشكلونظام الوقاية الموضح مصمم لتيار العطل 10 أمبير .

Dr. M. Walid Issa
